Mova 2502070/8056401 (2")
Kodas: 200000029194Likutis: 7 vnt.Kaina 3 €Šią prekę turime sandėlyje.
Specagra sandėlis
Pramonės g. 3, Panevėžys +37063006060
S. Kerbedžio g. 9, Panevėžys Tvirtinimo elementai +37069553777
Stoties g. 21, Plungė +37069999186
Kęstučio g. 3, Šakiai +37068224648
Pramonės g. 3, Panevėžys Gyvulininkystės sandėlis +37065577627Pristatymas 1-3 Darbo dienos
Kreipkitės dėl prekės užsakymo telefonu arba užpildžius užklausos formą.
Lizingo skaičiuoklės- artea
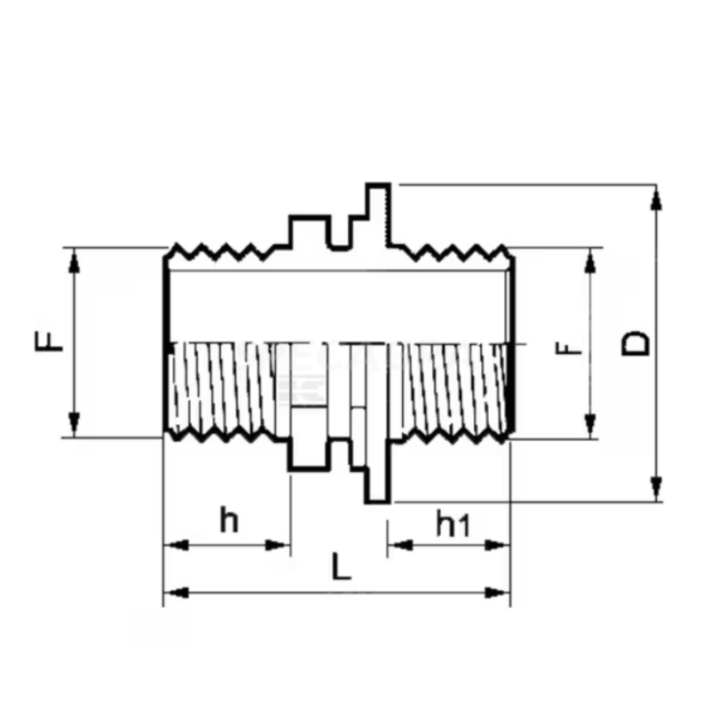
Sujungimas 2\" išorinis sriegis"
-
Specifikacija
Dalies numeris 2502070 EAN kodas 8026834047600 Išorinis skersmuo (D) 76 mm Bendras ilgis (L) 68 mm 1 jungties tipas: Sriegis
1 jungtis – vidinis / išorinis sriegis Išorinis 1 jungties sriegio skersmuo (F) 2 coliai 1 jungties sriegio ilgis (h) 27 mm 1 jungties sriegio tipas BSP 2 jungties tipas: Sriegis
2 jungtis – vidinis / išorinis sriegis Išorinis 2 jungties sriegio skersmuo (F) 2 coliai 2 jungties sriegio ilgis (h1) 27 mm 2 jungties sriegio tipas BSP -
Jus taip pat gali dominti


















