
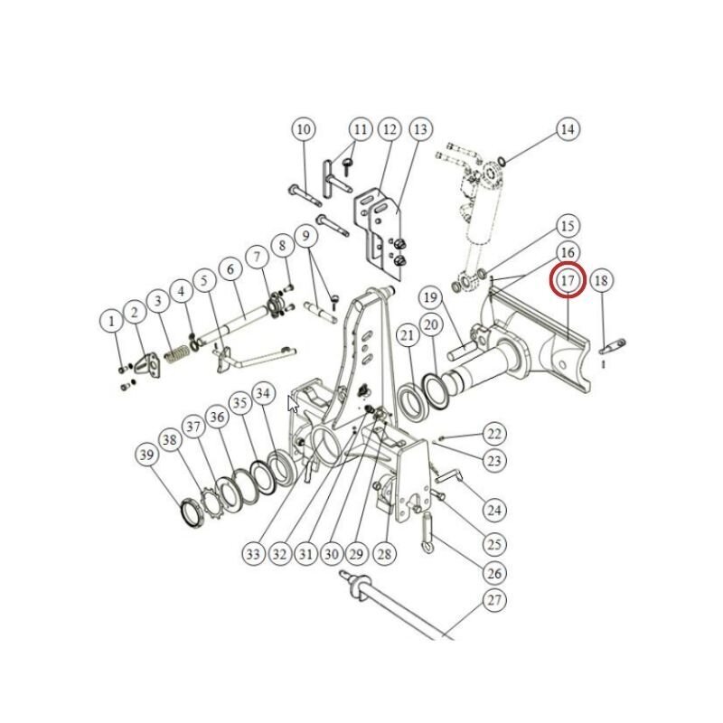
Plūgo vartymo ašis 1153/97-100/0
Kodas: 200000052649Likutis: 0 vnt.Kaina 499 €Prekė išparduota.SusisiekitePristatymas 1-3 Darbo dienos
Kreipkitės dėl prekės užsakymo telefonu arba užpildžius užklausos formą.
Lizingo skaičiuoklės- artea
-
Jus taip pat gali dominti
















